ANDON 高溫200℃封閉框架ICDIP插座,帶支架
發布時間:2021-07-05 17:09:38 瀏覽:2419
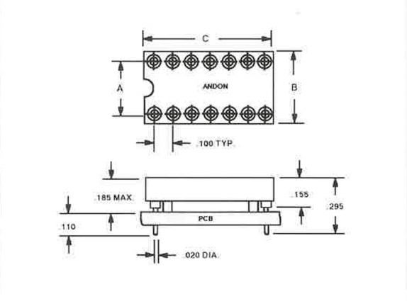
ANDON的高溫200℃ DIP插座選用絕緣質料舉行集成和模壓,以完成非常佳的機械安全性。這些插座配有模壓支架,以完成非常大的焊接可視性。特色包含:非常大的絕緣籠蓋局限,以防備在高打擊和振動環境短路。一個易于裝備插入的引入倒角,一個關閉的底部,以防備焊料芯吸進入觸碰地區,以及用于精確安置在PCB。
ANDON的高溫200℃ DIP插座上的剛性端子是阻燃劑,可處分高達250℃的溫度,并由高溫鄰苯二甲酸二烯丙酯perMIL-M-14G,SDG-F型制作完成。

特殊功能和好處:
雙列直插式插座,用于低剖面、高密度包裝。
插座接管圓形或扁平引線的封裝。
插座一端的切口,用于分度定位
模壓剛性焊接端子在安置到PC板上時不會蜿蜒
端子/觸點組件-與絕緣質料集成和模制,以完成非常佳的機械安全性。為焊接可視性供應模壓支架。
非常大的絕緣籠蓋,以防備在高打擊和振動環境短路。
引入倒角,便于插入裝備
關閉的底部防備焊料芯進入觸碰地區。
高溫鄰苯二甲酸二烯丙酯/MIL-M-14G,SDG-F型,阻燃劑,溫度局限高達250℃。
ANDON為全世界客戶提供了高性能電源插座產品,如CCD、光電、傳感器、電池等項目。產品廣泛運用于研發設計、軍事及高溫環境工程。深圳市立維創展科技有限公司,授權代理銷售ANDON產品,歡迎咨詢。
詳情了解ANDON請點擊:/brand/76.html
或聯系我們的銷售工程師:0755-83642657 QQ: 2295048674
上一篇: Bird射頻便攜式功率計
推薦資訊
AirBorn 可堆疊兼容連接器系列專為高密度板對板堆疊應用而設計,觸點間距為 0.075 英寸,接觸間距和100 Ω和85 Ω差分串行總線。與傳統主板到子卡相比,減少空間,減少連接器數量,并將電路路徑縮短 50%。AirBorn提供快速周轉服務,可根據您的具體要求有選擇地加載每個觸點位置。
應用EZ Form?的EZ-FlexFormable?電線電纜,錯綜復雜的圖紙和高昂的彎曲專用工具已成為過去。EZ FlexFormable?電線電纜的銅錫復合外導體提供與實心護套半剛性電線電纜相同的100%屏蔽,但能夠輕松地根據您的規格尺寸手動成型。
在線留言