204系列層壓晶圓DIP插座ANDON
發布時間:2024-06-21 09:43:44 瀏覽:1449
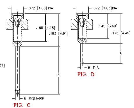
204系列層壓晶圓DIP插座由ANDON公司生產,它采用FR-4環氧樹脂(層壓板)作為絕緣材料,并獲得了UL 94V-0的認證。這款插座適用于DIP間距的元件,提供了多種引腳(PIN)數量和接觸材料選擇,包括鍍金/鍍金的黃銅(ASTM-B16)和鍍錫鉛/鍍金的鈹銅(ASTM-B194)。其工作溫度范圍為-65°C至+140°C。


插座的標準插入力為平均9盎司(oZ.),標準撤出力為至少2盎司(oZ.)。此外,還提供了其他類型的插入力和撤出力選項,以滿足不同的應用需求。
在訂購信息方面,產品代碼為204-XXX-XXX-PXX-N10,其中XXX-XXX代表特定的引腳數量和其他選項,PXX代表引腳鍍層,N10代表無索引版本。

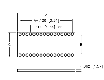
該系列插座的尺寸和規格以英寸和毫米為單位進行了詳細說明,包括PIN的直徑(DIM "A")、PIN之間的間距(DIM "B")以及整體尺寸等。
| SERIES 402 WAFER CHART | ||||
| PIN | DIM“A” | DIM "B" | DIM“C” | |
| 6 | .300[7.62 | .300 [7.62] | 400 [10.16] | 306 |
| 8 | .400[10.16 | 308 | ||
| 10 | 500 [12.70] | 310 | ||
| 14 | 700 [17.78] | 314 | ||
| 16 | 800 [20.32] | 316 | ||
| 18 | 900 [22.86] | 318 | ||
| 20 | 1.000 [25.40] | 320 | ||
| 22 | 1.100 [27.94 | 322 | ||
| 24 | 1.200[30.48] | 324 | ||
| 28 | 1.400 [35.56] | 328 | ||
| 24 | 1.200 [30.48 | .600 [15.24] | .700 [17.78] | 624 |
| 28 | 1.400 [35.56] | 628 | ||
| 30 | 1.500[38.10] | 630 | ||
| 32 | 1.600 [40.64] | 632 | ||
| 36 | 1.800 [45.72] | 636 | ||
| 40 | 2.000 [50.80] | 640 | ||
| 42 | 2.100 [53.34] | 642 | ||
| 48 | 2.400 [60.96] | 648 | ||
| 24 | 1.200[30.48 | 900 [22.86] | 1.000 [25.40] | 924 |
| 28 | 1.400[35.56 | .000 [25.40] | 928 | |
| 32 | 1.650 [41.91] | 1.050 [26.67] | 932 | |
| 50 | 2.500[63.05] | .000 [25.40] | 950 | |
| 52 | 2.600[66.04] | 1.000 [25.40] | 952 | |
| 64 | 3.250 [82.55] | 1.050 [26.67] | 964 | |
推薦資訊
Hypertronics? M23不銹鋼板連接器系列是專門為在高腐蝕性工作環境下運行的使用而開發設計的。Hypertronics連接器M23不銹鋼板圓形連接器由先進的不銹鋼板和先進聚合物制作而成,適用于醫療設備、生物制藥、船運、汽車、食品類和飲品行業領域。Hypertronics連接器M23不銹鋼板圓形連接器具備高達IP67的工作環境密封,耐酸堿化學腐蝕,其保護能夠抵御最惡劣的工業生產處理工作環境。
Glenair?的Micro-D焊杯終端連接器具備電鍍金扭針接觸點,以獲得最大效能。采用#26AWG或更小的電纜線。Glenair的Micro-D焊杯終端連接器特定電鍍鎳或鍍鎘機殼的最佳易用性。
在線留言