Renaissance 12A4BG-40N雙定向耦合器
發布時間:2025-07-25 08:56:22 瀏覽:2073
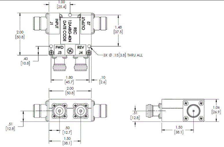
Renaissance 12A4BG-40N是一款雙定向耦合器,由 Renaissance Electronics公司生產。其工作頻率范圍為700MHz至4.2GHz,尺寸為2×2×1.06英寸,適用于測試和測量應用。


Renaissance Electronics & Communications, LLC 是一家專注于高可靠性無源和有源組件以及子系統的設計和制造公司,其產品廣泛應用于軍事和商業領域。HXI公司(已被Renaissance收購)是一家專注于射頻和微波技術的公司,主要為國防、太空和航空市場提供廣泛的產品線,包括低噪聲放大器、功率放大器、頻率倍增器、混頻器/上變頻器、波導隔離器和環行器以及PIN開關等,頻率覆蓋從18 GHz至110 GHz。深圳市立維創展科技有限公司優勢供銷Renaissance/HXI產品,歡迎咨詢了解。
推薦資訊
Lightspeed Gann皮革飛行包以史上最杰出的航空英雄之一的名字命名,靈感來源于飛行員和小說家ErnestK.Gann的長途飛行和小說。Lightspeed Gann皮革飛行包設計有很強的別針和磁性按鈕。Lightspeed Gann皮革飛行包適合于喜歡木匠袋彈出式頂部、拉鏈式iPad包和可定制內飾的飛行員。Lightspeed Gann皮革飛行包的旅行袋、旅行袋和旅行袋都放在旅行袋的前后,使飛行必需品一觸即發。
射頻終端是種以電氣模式線接同軸射頻端口的專用設備。Bird射頻?終端以其高質量、堅固的結構和保守的額定功率而聞名于世。Bird射頻50W射頻終端在高磁場(如MRI)中應用時,非磁性材料和鍍層的應用提供了安全性能。
在線留言