Glenair FRITS4106GR20-4SB0F7工業圓形連接器
發布時間:2026-03-13 09:06:04 瀏覽:165
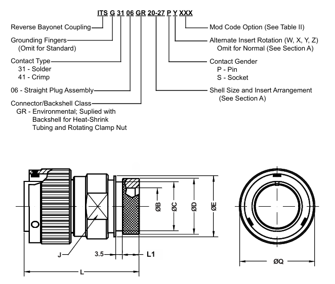
Glenair FRITS4106GR20-4SB0F7 是一款工業級 MIL-DTL-5015 標準圓形連接器,屬于 ITS 系列。該連接器采用 反向卡口鎖緊結構(Reverse Bayonet Coupling),專為惡劣環境中的電源與信號連接設計,廣泛應用于軌道交通、軍工設備、農業機械和工業自動化設備。

主要技術參數
觸點數量:4 Contacts
連接器類型:Plug(插頭)
觸點類型:Female(母觸點)
安裝方式:Cable Mount(電纜安裝)
端接方式:Crimp(壓接)
外殼尺寸:Shell Size 20
額定電流:41A
額定電壓:900V AC / 1.25kV DC
外殼材料:Aluminium Alloy
觸點材料:Copper Alloy
結構方向:Straight(直式)
工作溫度:-55°C ~ +125°C
產品結構特點
1. 快速卡口鎖緊結構
采用 1/4圈反向卡口(Reverse Bayonet)設計
連接快速可靠,抗震動能力強
2. 高可靠工業結構
鋁合金外殼
黑色鋅鈷鍍層(防腐蝕)
阻燃絕緣體
3.環境密封設計
配備電線密封墊圈
可搭配收縮套管適配器
適合惡劣環境使用
4.防誤插設計
采用 鍵控極化(Keyed Polarization)
防止錯誤連接
5.狀態指示結構
連接時具備 視覺和聲音提示,確保鎖緊到位
典型應用領域
該連接器專為高可靠性工業環境設計,常見應用包括:
·軌道交通設備(列車連接線)
·軍工與防務系統
·農業機械設備
·工業自動化設備
· 電源與信號連接系統
其堅固結構和寬溫工作范圍,使其適合 高震動、粉塵、潮濕環境使用。

Glenair連接器是全球知名的高端品牌,廣泛應用于航天航空、軍用、艦載、精密制造等場合。深圳市立維創展科技有限公司,授權代理銷售Glenair產品,并提供技術支持。歡迎咨詢。
推薦資訊
Glenair?超級ITS-RJ45 SuperSeal?連接器在非配合情況下提供IP67密封性,在配合情況下滿足IP68需求。經久耐用的工作環境VG95234型/5015彈性連接器端口具備迅速逆向卡口式連軸器,能夠在難以觸及的部位迅速安全可靠的配合。
Nicomatic A222T20V22是一款高密度母端信號連接器,專為需要鎖定或齒條固定以確保連接穩定性的應用場景設計。該連接器可直接安裝在PCB上,具有20個信號接觸點,適合中等規模的信號傳輸需求。其終止方式為SMT直插PCB,固定硬件為鎖定配對插孔,適用于V16系列。該連接器屬于兩排連接器系列,提供6、10、20、34或50個信號接觸點的多種型號選擇,滿足不同應用需求。
在線留言