Kuhne Electronic 是德國知名的RF和微波設備制造商,主要產品包括MKU系列微波變頻器、低噪聲放大器、功率放大器和信號發生器,廣泛應用于衛星通信、RF實驗和微波通信系統。
Vitrek V74 是一款工業級多功能電氣安全測試儀,集 AC/DC 耐壓測試、絕緣電阻測試、接地連接測試(Ground Bond)與導通測試于一體,支持自動化產線集成,廣泛應用于電子制造、工業設備、電氣安全認證與研發實驗室場景。
JQL Electronics 的 JIC1600T1800S6 是一款工作于 1.6 至 1.8GHz 頻段的同軸隔離器,其核心性能指標包括:至少 20 dB 的隔離度以確保信號單向傳輸、低至 0.35 dB 的插入損耗以最大限度減少信號衰減、以及最高 1.22:1 的駐波比以實現良好的阻抗匹配。
KU PA BB 003055 - 100 A 是德國 Kuhne Electronic 公司生產的一款寬帶射頻功率放大器,其主要功能是在 30 至 550 MHz 的寬頻范圍內放大射頻信號,提供典型 100 W(約 50 dBm)的高輸出功率,適用于專業電子、通信、EMC 測試及對抗系統等場景。
Lantronix推出的xPico? Wi-Fi是一款超小型嵌入式無線設備服務器,專為M2M和IoT應用設計。它采用ARM Cortex-M3處理器,支持IEEE 802.11b/g/n無線標準,配備雙串口、SPI、USB接口和低功耗特性(待機僅6μA),工作溫度范圍達工業級(-40°C至85°C)。其網絡功能包括SmartRoam?無縫切換接入點、QuickConnect快速聯網、完整協議棧(如TCP/IP)以及內置Web服務器和OTA固件升級。該產品適用于工業自動化、醫療設備、智能樓宇、零售終端和遠程監控等嵌入式無線聯網場景。
Focus Microwaves是一家加拿大高頻/微波射頻設備制造商,其OMEGA系列產品C50180是一款針對毫米波頻段(18–50 GHz)的微波機械調諧器,主要應用于5G無線通信、射頻測試與測量等場景,通過產生寬范圍阻抗變化實現精確的調諧與匹配測量。
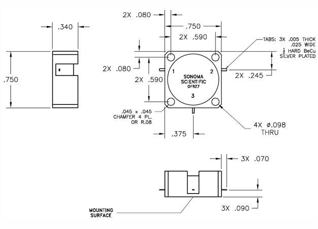
Sonoma Scientific是一家自1987年成立、專注于RF/微波鐵氧體隔離器和環形器設計與制造的公司,其同軸隔離器作為一種鐵氧體器件,其典型應用涵蓋無線通信基站(GSM/LTE/5G)、雷達、衛星通信、RF功率放大器保護、射頻測試設備及公共安全無線系統(VHF/UHF)等領域。
Hollow Retroreflector Arrays? (HRA) 是 Luxium Solutions 旗下 PLX 產品線開發的高精度空心回射反射器陣列,通過將多個內部為三個互相垂直反射面的空心回射器集成在金屬基板上,形成一個大型自補償鏡面,能將入射光束沿原路徑高效、穩定地返回。主要應用于要求遠距離高精度光束返回的領域,如 FTIR 長光程光譜分析、激光測距與跟蹤、光學計量、航空航天系統以及環境監測等。
Luxium Solutions 提供關鍵的光學塑料組件,包括光導和波長轉換條,用于收集、傳輸并轉換閃爍體產生的光信號至光電探測器(如 PMT 或 SiPM),廣泛應用于核探測、粒子物理、醫學成像及輻射測量等領域。主要產品有紫外透過型(BC-800)和紫外吸收型(BC-802)光導,以及波長轉換條(如 BC-480 系列),能提升光收集效率、簡化探測器結構,適用于 PET 成像、安檢和高能物理實驗等場景。
美國Renaissance Electronics公司推出的Renaissance 2SMC5BD是一款面向S波段(2.7–3.7 GHz)雷達應用的中等功率表面貼裝(SMT)隔離器。其核心優勢在于采用真正的共面底部設計,便于實現大批量、高效率的自動化貼裝生產。
RFCI公司的SL8914-OS型微帶隔離器是一款專為高功率微波系統設計的器件,其工作頻段覆蓋4–10 GHz,支持峰值功率250 W和平均功率30 W。典型應用場景包括雷達T/R組件、功放保護、測試儀器前級以及5G通信系統等,適用于需高可靠性和高性能的射頻鏈路中。
RFCR2736是RF Circulator Isolator?公司生產的一款表面貼裝射頻環行器,其核心功能是引導射頻信號按特定方向單向傳輸(端口1→2→3→1),并隔離反向信號,主要用于保護射頻功率放大器等敏感組件。
JCD3300T3800 是一款由 JQL Electronics 生產的高性能射頻同軸環行器,工作頻率為 3.3 GHz 至 3.8 GHz。其主要規格包括:插入損耗低至 0.30 dB(-40 至 +85°C),回波損耗與隔離度均達到 20 dB,電壓駐波比 (VSWR) 為 1.22,阻抗為 50 Ω,可處理高達 100 W 的平均功率。該器件采用嵌入式 (Drop In) 安裝和帶狀線連接器設計,典型應用于 4G/5G 通信基站、雷達系統、射頻功率放大器保護及各類微波測試設備中。
C1806S是Focus Microwaves Group生產的寬頻段同軸阻抗調諧器,工作頻率覆蓋0.6-18 GHz,廣泛應用于功率放大器負載牽引測量、寬帶噪聲參數提取、高功率器件特性表征及自動化產線測試等射頻/微波測試場景。
RFCR2723 是一款由 RF-CI 公司生產的 Drop-in 型射頻環行器,主要用于調節射頻信號路徑,并實現信號隔離與系統組件保護。其核心規格包括:工作頻率范圍為 2024 - 2286 MHz,插入損耗低至 0.25 dB,隔離度為 23 dB,前向與反向平均功率均為 100 W,回波損耗在 20 - 23 dB 之間,并支持 -40 ℃ 至 +85 ℃ 的工業級工作溫度。
Kuhne Electronic MKU LNA 572 AF是一款專為5.76 GHz(6 cm業余波段,頻率范圍5710–5810 MHz)設計的超低噪聲前置放大器,采用兩級HEMT結構。其核心性能表現為極低的噪聲系數(典型值約0.8 dB)和較高增益(≥25 dB),適用于微弱信號接收場景。該放大器工作電壓為+9 V至+15 V DC,功耗約30 mA,配備SMA接口,尺寸緊湊(73×30×20 mm),重量約75 g。典型應用包括業余無線電微波通信、點對點微波鏈路接收前端、衛星信號接收及其他高頻弱信號放大領域。
Vitrek 950i是一款高度集成的電氣安全綜合分析儀,它將多項安規測試(包括耐壓、絕緣、接地等)濃縮于一臺設備中,單次接線即可完成全部測試。其核心優勢在于極快的測試速度(毫秒級)和高精度測量能力(pA級漏電流),并內置了高級安全保護與自動化功能,能直接生成合規報告,是提升產線效率和滿足嚴格認證要求的理想工業測試解決方案。
Sonoma Scientific 公司生產的 C10AH1 是一款工作于 10 GHz 至 18.5 GHz 頻段的同向雙端口波導環行器,具有高隔離度(18 dB)和低插入損耗(0.8 dB),電壓駐波比為 1.30,可承受 5 W 的正向功率,工作溫度范圍為 -35°C 至 +77°C,采用 TABS 接口,外形尺寸為 0.5" × 0.5" × 0.25",主要應用于微波通信和雷達系統等高頻領域。
Optigraph GmbH 是一家成立于2006年的德國高科技公司,在柏林-阿德勒斯霍夫科技園區運營,在高定向熱解石墨(PG/HOPG)領域擁有超過30年的經驗。公司掌握了獨特的可調控退火工藝核心技術,是其生產不同性能定向熱解石墨產品的關鍵。
JQL Technologies推出的超小型Ka波段隔離器JISM27K0T31K0-5尺寸僅為5×3.5×5 mm,采用表面貼裝設計;其工作頻率為27.0–31.0 GHz,具備優異的射頻性能:插入損耗不高于1.3 dB、隔離度不低于19 dB、回波損耗不低于17.2 dB,且能在-30°C至+65°C寬溫范圍內穩定運行。
在線留言